Преобразователи Холла
преобразователь Холла измерительный
Тонкопленочный InSb элемент измерительного датчика Холла служит первичным преобразователем постоянных, переменных и импульсных магнитных полей в электрические сигналы.
Применение:
- прецизионные измерения магнитных полей, в том числе в сверхпроводящих магнитах
- контроль параметров магнитных материалов
- анализ топографии полей магнитных систем
- аналоговое преобразование «магнитное поле — электрический сигнал» в бесконтактных датчиках тока, напряжения, линейных и угловых перемещений
ПХЭ60_117, -817, -118, ИМ102,103, ПХЭ61А1, В1
Толщина преобразователей: 0,6 мм.
Размеры по периметру: от 8x8 мм до 0,35x0,35 мм.
преобразователь Холла индикаторный
Применение:
- бесколлекторные двигатели постоянного тока и устройства автоматики
ПХИ 312, 611
ПХИ 313
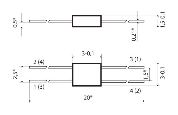
1 и 3 — входные (токовые) выводы
2 и 4 — выходные (холловские) выводы
Размеры со звездочкой — справочные.
Область применения преобразователей Холла (ПХ), выпускаемых ООО НПФ «Сенсор»
- в бесконтактных датчиках тока, напряжения, мощности
- в качестве первичных измерительных преобразователей в приборах для измерения магнитных индукций, в установках для измерения параметров магнитных материалов, в измерителях топографии поля магнитных систем, в приборах для измерения линейных и угловых перемещений
- измерение градиента индукции магнитного поля
- измерение индукции в каналах магнитных систем
- точные измерения топографии магнитной индукции постоянных магнитных полей с интервалом в 1 мм (линейки с ПХ)
- в датчиках тока, мощности, напряжения
- в системах автоматического управления и контроля режимов работы агрегатов и механизмов, в робототехнике
тип материала
- nGaAs-iGaAs — индикаторные ПХ (ПХИ 312, ПХИ 313)
- nInSb-iGaAs — измерительные типа ПХЭ и ИМ, а также индикаторные типа ПХИ 611
конструктивное исполнение
- в корпусе
- кристалл с проволочными выводами (200 мм)
технические параметры и цены